全国服务热线:
024-31260188
网站首页
关于我们
新闻动态
产品展示
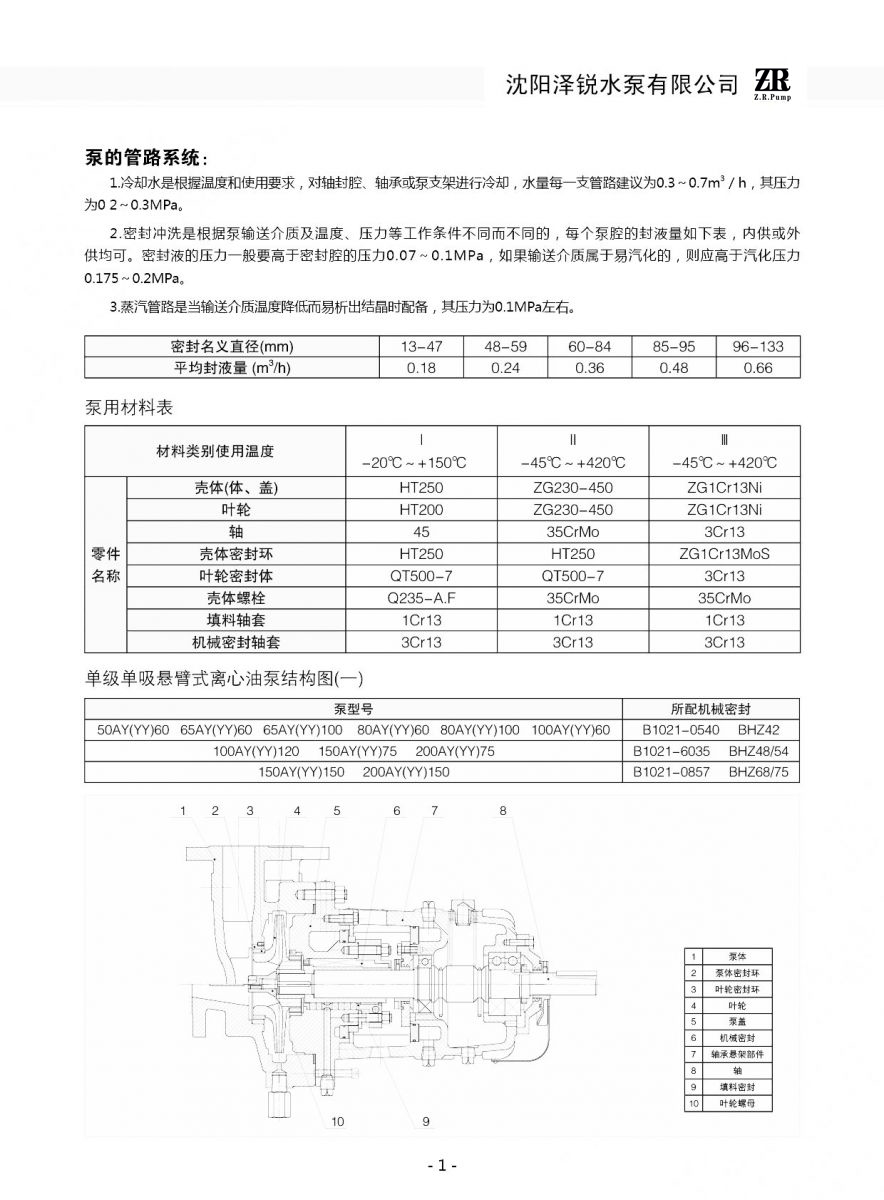
AY AY ...
AYS双吸 ...
LDTN ...
N型GSS ...
RW 热网 ...
SH 双吸
除焦泵
除磷泵
给水泵
化工泵夹
脱硫循环泵
新品对比
科普知识
资质荣誉
营销网络
在线留言
联系我们
产品展示
products
当前位置:
首页
>
产品展示
>
AYS双吸AY单 ...
AY单两吸
添加时间:2020-02-14
联系电话:
024-31260188
上一条 :
RW 热网泵
下一条 :
AY多级
[返回列表]
推荐产品
Recommended Products
TPD 通用流程泵
TPC 型同步自控卸车泵
TPB型 同步涡扇强吸泵
TPA型多相流同步溶气强吸 ...
GSS星疏水泵
GD、D、DⅡ、DF型多级 ...
SH型离心泵
H型立式斜流泵
联系我们
contact us
024-31260188
手机:
18204017771
电话:
024-31260188
邮箱:
zeruipump@163.com
地址:
沈阳市于洪区洪润路112号1.2门